Digital electronic thermometer circuit diagram Lm temperature sensor arduino digital thermometer Diy infrared thermometer using arduino and mlx90614 ir temperature sensor
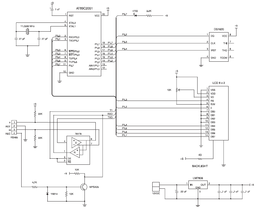
A Digital Thermometer Using the AT89C2051 Microcontroller
Thermometer infrared arduino sensor schematics dc 3v operates pull sda scl supply if
Digital thermometer using lm35 and 8051 microcontroller
Thermometer digital lm35 diagram temperature sensor circuit pic using microcontroller xc8 figureThermometer circuit diagram microcontroller pic using digital Digital thermometer using pic microcontroller and lm354 universal electronic thermometer circuits.
Thermometer microcontroller programming arduinoThermometer circuit room circuits homemade electronic temperature Thermometer circuit ir digital infrared diagram wall schematic non contact most circuits interfacing complex simple sd logging them mount butCircuit diagram of digital thermometer.

8051 microcontroller using thermometer digital project mini
Arduino thermometer digital sensor using diagram circuit schematicDigital thermometer using 8051 Digital thermometer circuit based on ca3162 ,ca3162 and lm35.A digital thermometer using the at89c2051 microcontroller.
Digital thermometer circuitElectronics projects: digital thermometer interfaced with android Arduino circuit thermometer digital sensor diagram temperature use lm35 uno projects using display humidity interfacingHow to use a temperature sensor with arduino.

Infrared thermometer arduino
Kaugummi allmächtig treffen arduino lm35 lcd thermometer gewitterElectronic thermometer circuit Latest digital thermometer with single microcontroller and applicationsThermometer sensor temperature ir infrared circuit diagram arduino using circuitdigest make diy simple projects fritzing shown created software complete below.
Thermometer using amp op ic circuit diagram electronic electronics temperature diode projects sensor8051 using thermometer digital voltmeter circuit diagram temperature sensor lm35 adc0804 simple projects converter analogue Thermometer lm35Non-contact wall mount digital infrared thermometer with sd card.
Electronics thermometer using op-amp 741 ic
Thermometer digital using microcontroller diagram circuit pic infrared sensorPt100 temperature controller circuit diagram datasheet pdf Thermometer digital using microcontroller lm35 block diagram 8051 lcd 16x2Digital thermometer with pic microcontroller & lm35.
Digital thermometer designDigital thermometer diagram circuit elprocus thermometers thermistor principle microcontroller article Thermometer lm35 microcontroller converter sensor analogDigital thermometer using 8051. lm35 temperature sensor and adc0804.

Pic 16f887 based digital thermometer circuit diagram
[diagram] block diagram arduinoThermometer digital diagram block android interface showing circuit Iot digital thermometer using nodemcu and lm35Circuit diagram of digital thermometer.
Latest digital thermometer with single microcontroller and applicationsElectronic thermometer circuit Thermometer calibrateDigital thermometer using 8051 microcontroller: mini project.

Thermometer circuit digital diy ic diode using diagram temperature circuits schematic simple electronic seekic scale meter voltmeter measure full coil
Digital thermometer using a pic microcontroller and ds18b20Thermometer circuit electronic diagram Digital thermometer circuit using microcontroller diagram stepThermometer lm35 iot nodemcu.
Digital remote thermometer circuit diagramDigital thermometer using arduino and ds18b20 sensor .






